HBA 45 M4 (C1:6) [B-Form] 40º

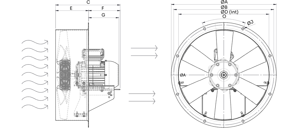
Dimensions scheme
A B C (Mot. T.63) C (Mot. T.71) C (Mot. T.80) C (Mot. T.90L) C (Mot. T.90S) D E F G (Mot. T.63) G (Mot. T.71) G (Mot. T.80) G (Mot. T.90L) G (Mot. T.90S) J O
525 500 322.5 322.5 342 371.5 346.5 452 165 157.5 123.4 150.5 177 206.5 181.5 12 8x45º